Операция по замене механизма подъема окон в отечественном автомобиле не требует углубленных знаний, однако потребует внимательности и аккуратности. В данном руководстве представлены конкретные шаги, которые помогут вам выполнить этот процесс без лишних затруднений.
Следует заранее подготовить все необходимые инструменты и запчасти. Наличие одного лишь подъемника не обойдется без дополнительных крепежей и комплектующих, которые могут понадобиться в процессе работы. Рекомендуется создать комфортные условия для проведения манипуляций, освободив кабину от лишних вещей.
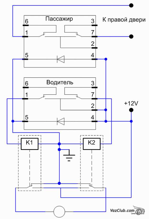
Начиная процедуру, важно учитывать мелочи, которые могут существенно повлиять на конечный результат. Обратите внимание на схему подключения и соблюдение последовательности действий. Это поможет избежать ошибок, которые могут не только усложнить процесс, но и потребовать повторного обращения к данному вопросу.
- Монтаж устройства для подъема стекол на автомобиле
- Подбор необходимых инструментов и материалов
- Снятие обивки двери для доступа к механизму
- Удаление старого устройства
- Подключение электрических кабелей нового элемента
- Установка запчасти на место
- Проверка работоспособности механизма
- Возврат обивки двери на место
- Настройка и тестирование положения стекла
- Рекомендации по обслуживанию устройства
Монтаж устройства для подъема стекол на автомобиле
Подготовьте все необходимые инструменты: ключи, отвертки, плоскогубцы, а также новый механизм подъема. Убедитесь, что у вас есть инструкция к устройству с рекомендациями производителя.
Шаг 1: Снимите обшивку двери. Для этого аккуратно извлеките все крепления, используя плоскую отвертку. Будьте осторожны, чтобы не повредить пластиковые защелки.
Шаг 2: Отсоедините электропровода от старого механизма. Подключите новые провода к электрической системе. Обратите внимание на полярность.
Шаг 3: Удалите старый механизм, открутив крепления. Установите новый, убедившись, что он плотно фиксируется. Проверьте, чтобы все соединения были надежными.
Шаг 4: Подключите электропитание и протестируйте механизм. Убедитесь, что стекло поднимается и опускается без заеданий.
Шаг 5: Соберите двери обратно, установив обшивку на место. Убедитесь в правильной установке всех креплений и защелок.
Совет: Перед завершением работы рекомендуется проверить работу нового устройства несколько раз, чтобы исключить возможные неисправности.
Подбор необходимых инструментов и материалов
Для выполнения задачи потребуется набор инструментов, который поможет обеспечить качественное осуществление всех процессов. В первую очередь, запаситесь отвертками: прямыми и крестовыми, разных размеров. Они потребуются для снятия обшивки и крепления механизмов.
Ключи – еще один важный элемент. Набор рожковых или торцевых ключей поможет в работе с болтами и гайками, обеспечивая надежный захват. Обратите внимание на размеры, рекомендуются ключи от 10 до 13 мм.
Плоскогубцы пригодятся для удерживания мелких деталей и упрямых креплений, так что возьмите как стандартные, так и эксцентриковые. Также подготовьте шило или ледоруб для пробивки канавок в обшивке – это может облегчить доступ к нужным участкам.
Не забудьте о электрическом дреле. Он понадобится для работы с крепежами, особенно при наличии заржавевших или закрученных соединений. Важно иметь набор сверел, чтобы подобрать нужный диаметр для дюбелей.
С материалами вы можете столкнуться с необходимостью замены частей. Рекомендуется заранее приобрести регулируемый упорный механизм, а также новые провода для подключения. Обратите внимание на качество материалов, это предотвратит возникновение проблем в будущем.
Подготовьте устойчивую рабочую поверхность и защитные очки. Это повысит безопасность и удобство во время работы. Также стоит вооружиться перчатками для защиты рук при работе с острыми элементами.
Советы по организации рабочего процесса: держите всё необходимое под рукой, чтобы избежать ненужных перерывов и запутываний. Продумайте последовательность работ – это упростит выполнение всех этапов.
Снятие обивки двери для доступа к механизму
Для доступа к механизмам управления стеклом необходимо снять обивку двери. Это позволит эффективно выполнить необходимую работу.
- Подготовка рабочего места: обесточьте автомобиль, отключив минусовой провод аккумулятора. Это предотвратит случайные замыкания.
- Снимите все элементы, препятствующие демонтажу. Обычно это включает в себя ручку двери, обивку подлокотника и накладки для динамиков. Используйте плоскую отвертку для аккуратного снятия пластиковых накладок.
- Обнаружьте крепежные элементы. Обычно они скрыты под накладками. Используйте обычную отвёртку для их откручивания. Запоминайте порядок, чтобы избежать путаницы при сборке.
- Снимите обивку. Аккуратно подденьте обивку в местах крепления и по периметру двери. Старайтесь не повредить пластиковые зажимы, которые могут быть использованы повторно.
- Проверьте наличие проводов. Некоторые модели могут иметь провода для динамиков или системы центрального замка. Будьте осторожны, чтобы не повредить их.
- Отложите обивку в безопасное место, чтобы она не повредилась. Теперь у вас есть доступ к механизму, который необходимо заменить или отремонтировать.
Следуйте этим шагам, чтобы избежать повреждений и обеспечить легкий доступ к нужным компонентам. Обратите внимание на детали, чтобы избежать дальнейших проблем при повторной сборке.
Удаление старого устройства

Перед началом демонтажа требуется подготовить рабочее место. Убедитесь в наличии необходимых инструментов: отверток, разводного ключа, плоскогубцев и, возможно, специального съемника.
Сначала отключите аккумулятор, чтобы избежать случайного замыкания. Затем аккуратно снимите обивку двери. Для этого пройдитесь по периметру панели и освободите все клипсы и крепежные элементы.
| Этап | Действие |
|---|---|
| 1 | Отключите аккумулятор |
| 2 | Снимите обивку двери |
| 3 | Удалите обшивку, аккуратно освободите крепления |
После доступа к механизму освободите электрические разъемы. Обратите внимание на возможные фильтры или защитные элементы, которые могут препятствовать демонтажу. Отсоедините крепежные болты, фиксирующие механизм. Будьте осторожны, чтобы не повредить проводку и другие компоненты двери.
Соблюдайте осторожность при извлечении устройства из корпуса: оно может быть крепко зафиксировано. Используйте подходящий инструмент для подсекающего или поднимающего действия, если требуется. После успешного удаления проверьте на наличие повреждений в крепежах и корпусе двери.
Подключение электрических кабелей нового элемента
Перед тем как провести соединение, убедитесь в чистоте контактов и отсутствии коррозии на проводах. Подготовьте необходимые инструменты: отвертки, изоленту, мультиметр и, возможно, дополнительные клеммы.
Начните с анализа схемы подключения. Найдите необходимые разъемы на новом механизме и определите, какие провода от системы управления будут задействованы. Обычно это провода для управления движением и провода для питания.
Снимите изоляцию с концов проводов на длину около 1 см. Используйте кусачки, чтобы избежать повреждения внутренней жилы. Убедитесь, что обнаженные участки проводов чистые и не повреждены.
Подключите провода, начиная с управления. Сопоставьте цвета проводов, учитывая схему. Если проводка стандартная, обычно красные провода отвечают за подачу напряжения, а черные — за массу. Закрепите соединения с помощью клемм или, если необходимо, с помощью пайки.
Затем проверьте правильность соединений с помощью мультиметра. Убедитесь, что между проводами нет короткого замыкания и что они корректно замыкают цепь.
После проверки подключите элементы к источнику питания. Включите зажигание автомобиля и проверьте функционирование устройства. Убедитесь, что механизм работает плавно и без задержек.
При окончательной сборке используйте изоленту для защиты открытых соединений. Это поможет избежать повреждений и попадания влаги.
Установка запчасти на место
Перед началом процесса проверьте все необходимые детали и инструменты. Убедитесь, что в комплекте имеются новые крепежи и уплотнители.
Сначала установите механизм на штатное место, аккуратно выровняв его с отверстиями. Обратите внимание на положение соединительных штырей; они должны четко совпадать с пазами.
Закрепите все элементы с помощью новых винтов. Не затягивайте их слишком сильно, чтобы избежать повреждений. Достаточно обеспечить надежное крепление, чтобы детали не смещались при эксплуатации.
После фиксации проверьте, что механизм движется свободно. Сделайте несколько простых проверок, чтобы убедиться в правильной работе. Включите питание и протестируйте функциональность, наблюдая за движением.
Обратите внимание на любые посторонние звуки или проблемы. Если они возникают, необходимо будет корректировать положение детали. Завершив проверку, зафиксируйте все кабели, чтобы они не мешали работе механизма и не подвергались износу.
На заключительном этапе установите на место дверную обивку. Убедитесь, что все элементы аккуратно совмещены и защелкнуты в правильном порядке. Это предотвратит дальнейшие проблемы и обеспечит долговечность конструкции.
Проверка работоспособности механизма
Для начала убедитесь, что все соединения надежно закреплены. Проверьте крепежные элементы, чтобы исключить люфт или неожиданное повреждение. Далее, подключите питание к мотору, если это электрический привод, и убедитесь в наличии напряжения.
Следующий этап — наблюдение за движением створки. Поднимите и опустите ее несколько раз, фиксируя плавность работы. Если механизм заедает или издает посторонние звуки, возможно, возникнули проблемы с смазкой или износ деталей.
Проверьте направляющие, чтобы удостовериться в отсутствии загрязнений или повреждений. Чистота важна для корректного функционирования. Используйте сжатый воздух или подходящий очиститель, чтобы устранить грязь.
Если проект с ручным управлением, испытайте усилие, необходимое для управления. Легкость в поднятии и опускании створки сигнализирует о правильной настройке. При чрезмерном сопротивлении стоит обратить внимание на состояние тросов и роликов.
Завершите проверку оценкой элементов управления. Убедитесь, что ключи или кнопки реагируют без задержек. Если в работе присутствуют сбои, проверьте электрические соединения и контакты на наличие коррозии.
Возврат обивки двери на место
После завершения работ рекомендуется аккуратно вернуть обивку двери на исходное место. Этот процесс требует внимательности для предотвращения повреждений.
-
Перед установкой обивки убедитесь, что все элементы, такие как проводка и механизмы, правильно расположены. Проверьте, нет ли лишних зазоров или повреждений.
-
Начните с нижней части обивки. Поднимите ее и аккуратно соедините с креплениями. Дайте обивке занять свое место и убедитесь, что все пазы совпадают.
-
Закрепите обивку, придерживаясь последовательности. Задействуйте все зажимы и клипсы, которые были использованы ранее. Наличие всех элементов важно для надежной фиксации.
-
Прикрутите винты, если они были сняты. Обязательно используйте оригинальные крепежи, чтобы избежать проблем с совместимостью. Начинайте затягивание с центра и постепенно переходите к краям.
-
Проверьте функционирование окна. Убедитесь, что все механизмы работают без заеданий. Если имеются проблемы, может потребоваться дополнительная настройка.
-
После завершения всех этапов аккуратно проверьте внешний вид. Убедитесь, что обивка не выступает и все стыки выглядят аккуратно. При необходимости подкорректируйте положение.
Финальная проверка поможет избежать неприятностей в будущем и обеспечит долгую службу. Сосредоточенность на деталях гарантирует отличный результат.
Настройка и тестирование положения стекла
После завершения установки механизма, настало время настроить высоту и положение окна. Перемещение стекла в правильное положение предотвратит попадание влаги и обеспечит надежную герметизацию.
Для начала необходимо опустить стекло максимально вниз, обеспечив свободу передвижения. Затем, удерживая кнопку в положении закрытия, протяните стекло до необходимого уровня. Как правило, верхняя точка должна совпадать с краем двери, чтобы избежать пустот и зазоров.
Проверьте, не мешают ли элементы обивки или уплотнители. Стекло должно свободно двигаться без лишних усилий. Если механизм функционирует с трудом, требуется регулировка направляющих и проверка на наличие повреждений.
После установки необходима проверка целостности работы системы. Убедитесь, что стекло поднимается и опускается плавно. При остановке в любой из точек стекло должно оставаться устойчивым и не произвольным образом сдвигаться.
Дополнительно выполните тест на герметичность. Закройте дверь и, используя шланг с водой, проверьте, не проникает ли влага внутрь салона. При обнаружении течей потребуется дополнительная настройка уплотнений и прижимов.
На завершающем этапе выполните повторный тест, наблюдая за механизмом в действии. Это поможет выявить возможные недостатки, требующие доработки. Следите за тонкостью регулировок, они могут оказать значительное влияние на долговечность всей системы.
Рекомендации по обслуживанию устройства

Регулярно проверяйте состояние механизмов. Важны все компоненты: ручки, кронштейны и сам привод. Убедитесь в отсутствии повреждений и износа.
Очищайте направляющие от грязи и пыли. Используйте мягкую ткань, чтобы избежать царапин. Удаление загрязнений улучшает ход и снижает нагрузку на мотор.
Смазывайте движущиеся части специальными маслами. Используйте продукты на основе синтетических смазок, которые предотвращают коррозию и обеспечивают плавный ход.
Проверяйте электрическую часть. Контакты должны быть чистыми и надежно соединенными. Слабые соединения могут привести к сбоям в работе.
Следите за кабелями и жгутами. Избегайте перетирания и механического повреждения изоляции. Это предотвратит короткое замыкание и другие электрические неисправности.
Регулярно проверяйте и при необходимости заменяйте предохранители. Это защитит систему от перегрузок и повреждений.
Механизмы, которые не используются длительное время, следует периодически проворачивать вручную. Это предотвратит заедание и коррозию.
Следите за герметичностью стекол. Убедитесь, что уплотнители intact и нет зазоров, через которые могла бы попадать влага. Это поможет избежать коррозии и других проблем, связанных с повышенной влажностью в салоне.
При возникновении посторонних шумов незамедлительно обращайте внимание на механизмы. Резкие звуки могут свидетельствовать о неправильной работе или износе деталей.
Записывайте все проведенные техобслуживания и замены деталей. Это поможет отслеживать состояние изделия и планировать дальнейшие действия.





